Hide Table of Contents

Custom Scale Examples

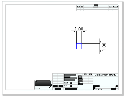
Drawing Sheet Scale 1:1
box1.gif
Custom Scale for Printing 1:1
box1.gif
Printed Output
box1.gif

A 1 inch x 1 inch box prints at the same scale (1 inch x 1 inch).

Drawing Sheet Scale 1:1
box1.gif
Custom Scale for Printing 2:1
box2.gif
Printed Output
box222.gif

A 1 inch x 1 inch box prints as a 2 inch x 2 inch box, even though the dimension values remain the same. (Conversely, if you set the custom scale to 1:2, the box prints at 0.5 inches x 0.5 inches.)

Drawing Sheet Scale 1:2
box3.gif
Custom Scale for Printing 1:1
box44.gif
Printed Output
box333.gif

A 1 inch x 1 inch box prints as a 1 inch x 1 inch box. However, only one-fourth of the drawing sheet prints because the drawing is zoomed in to get the box to the 1:1 scale.

Drawing Sheet Scale D-Landscape 1:1
box4.gif
Custom Scale for Printing A-Landscape 1:1
box44.gif
Printed Output
box333.gif

A 1 inch x 1 inch box prints as a 1 inch x 1 inch box because the drawing sheet scales are the same. However, only one-eighth of the drawing sheet prints because an A-Landscape sheet is one-eighth the size of a D-Landscape sheet.



Provide feedback on this topic

SOLIDWORKS welcomes your feedback concerning the presentation, accuracy, and thoroughness of the documentation. Use the form below to send your comments and suggestions about this topic directly to our documentation team. The documentation team cannot answer technical support questions. Click here for information about technical support.

* Required

 
*Email:  
Subject:   Feedback on Help Topics
Page:   Custom Scale Examples
*Comment:  
*   I acknowledge I have read and I hereby accept the privacy policy under which my Personal Data will be used by Dassault Systèmes

Print Topic

Select the scope of content to print:

x

We have detected you are using a browser version older than Internet Explorer 7. For optimized display, we suggest upgrading your browser to Internet Explorer 7 or newer.

 Never show this message again
x

Web Help Content Version: SOLIDWORKS 2014 SP05

To disable Web help from within SOLIDWORKS and use local help instead, click Help > Use SOLIDWORKS Web Help.

To report problems encountered with the Web help interface and search, contact your local support representative. To provide feedback on individual help topics, use the “Feedback on this topic” link on the individual topic page.