Hide Table of Contents

Error Message - No Solution Found

Potential Error Messages

  • The sketch has not been updated because solving it would result in invalid geometry (such as a zero-length line). Consider:
    • Deleting the invalid geometry.
    • Changing relations or dimensions to eliminate the invalid geometry.

Potential Reasons for These Error Messages

Invalid items

The sketch geometry cannot determine the position of one or more sketch entities.

Unsolvable items

The sketch geometry would be geometrically invalid if the sketch were solved.

To set the color for these items, click Tools > Options > System Options > Colors . For the invalid sketch color, select Sketch, Invalid Geometry in System Colors. For the unsolvable sketch color, select Sketch, Not Solved. Click Edit, select a color, then click OK.
Invalid Geometry Example
Original sketches with valid dimension

The dimension references a sketch entity that is not valid for this dimension. The invalid sketch item is shown in red.

The dimension creates an invalid sketch because it creates a zero-length line.

Potential Solution 1:

Sketch solved by dragging the dimension witness line to a valid entity for this dimension.

Potential Solution 2:

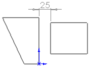
Sketch solved by changing the bottom dimension to a value > 25 so the bottom horizontal line is non-zero length.

Unsolvable Geometry Example
Original sketch

The dimension of 100 creates an unsolvable sketch because it is impossible for that dimension to exceed the total of the two other triangle sides. The unsolvable sketch is shown in yellow.

Potential Solution:

Sketch solved by changing the dimension to a solvable dimension value.

Potential Fixes

  • Drag to reposition the dimension to a valid entity.
  • Delete dimensions or relations.
  • Delete invalid geometry.
  • Edit other dimension values or geometry so there is no conflict.


Provide feedback on this topic

SOLIDWORKS welcomes your feedback concerning the presentation, accuracy, and thoroughness of the documentation. Use the form below to send your comments and suggestions about this topic directly to our documentation team. The documentation team cannot answer technical support questions. Click here for information about technical support.

* Required

 
*Email:  
Subject:   Feedback on Help Topics
Page:   Error Message - No Solution Found
*Comment:  
*   I acknowledge I have read and I hereby accept the privacy policy under which my Personal Data will be used by Dassault Systèmes

Print Topic

Select the scope of content to print:

x

We have detected you are using a browser version older than Internet Explorer 7. For optimized display, we suggest upgrading your browser to Internet Explorer 7 or newer.

 Never show this message again
x

Web Help Content Version: SOLIDWORKS 2014 SP05

To disable Web help from within SOLIDWORKS and use local help instead, click Help > Use SOLIDWORKS Web Help.

To report problems encountered with the Web help interface and search, contact your local support representative. To provide feedback on individual help topics, use the “Feedback on this topic” link on the individual topic page.