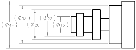
You can use the rapid dimension selector to place dimensions so they are evenly spaced and easier to read.
The rapid dimension selector appears when you insert dimensions in drawing views. Use the manipulator to place dimensions at evenly spaced intervals. For example, if you insert a dimension between two dimensions, the new dimension is spaced evenly between them.
Use the rapid dimension selector to quickly place dimensions.

You can control the spacing used by rapid dimension in under Offset distances.
When the rapid dimension selector creates dimensions on a symmetric centerline, any dimensions that might overlap are staggered for drawings in the ANSI standard.

To disable the rapid dimension selector, in the Dimension PropertyManager, under Dimension Assist Tools, clear Rapid dimensioning. This setting persists across sessions.
When the rapid dimension selector is enabled, you can dismiss it by pressing ESC. Pressing ESC again dismisses the Smart Dimension tool.