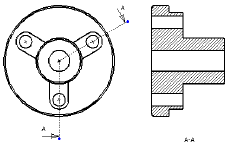
Exemplo: Vistas de desenho derivadas Vista projetada Vista auxiliar Vista de seção Vista de seção alinhada Vista de Detalhes Vista recortada Quebrar vista Seção de corte parcial Vista de posição alternativa Tópico paiVistas de desenho