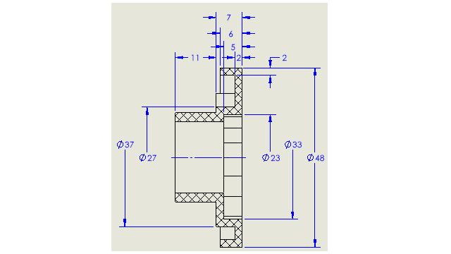
Symmetrisch lineare Durchmesserbemaßungen

Sie können symmetrisch lineare Durchmesserbemaßungen für Durchmesserbemaßungen erstellen, bei denen nur eine Seite einer Hinweislinie angezeigt werden soll. Dies ist bei Zeichnungen mit gedrehten Komponenten und detaillierten Schnittansichten hilfreich.