• 关于
  • 学习资源
  • My.SolidWorks
  • 订购服务
3DS
> 出详图和工程图 > 工程图 > 工程图中的尺寸 > 自动标注工程图尺寸
Compass
SOLIDWORKS 帮助
其他版本:  |  打印     | 对该主题的反馈  
欢迎使用 SOLIDWORKS 在线帮助
Expand 使用 3DEXPERIENCE Platform 和 3DEXPERIENCE 应用程序 使用 3DEXPERIENCE Platform 和 3DEXPERIENCE 应用程序
Expand 使用在线服务使用在线服务
Expand 用户界面用户界面
Expand 基础知识基础知识
Expand 显示显示
Expand 从 2D 移动到 3D从 2D 移动到 3D
Expand 装配体装配体
Expand CircuitWorksCircuitWorks
Expand 配置配置
Expand SOLIDWORKS CostingSOLIDWORKS Costing
Expand Design CheckerDesign Checker
Expand SOLIDWORKS 中的设计算例SOLIDWORKS 中的设计算例
Collapse 出详图和工程图出详图和工程图
出详图概述
设定出详图选项
模型项目
模型项目 PropertyManager
eDrawings 标注
Expand 样式样式
添加或更新样式
Expand 注解注解
Expand 表格表格
Expand 材料明细表 (BOM)材料明细表 (BOM)
Expand 绘图标准绘图标准
打印设置
Collapse 工程图工程图
工程图概述
Expand 开始工程图开始工程图
Expand 工程图文件类型工程图文件类型
Expand 标准工程视图标准工程视图
Expand 派生的工程视图派生的工程视图
多个视图 PropertyManager
将视图转换为草图 PropertyManager
Expand 操纵工程图视图操纵工程图视图
Expand 隐藏和显示工程图单元隐藏和显示工程图单元
Expand 工程图中的显示状态工程图中的显示状态
替换工程视图的模型
DrawCompare
工程图打开进度指示器
性能评估 - 工程图
打印工程图
发送邮件
Expand 标题块管理标题块管理
Collapse 工程图中的尺寸工程图中的尺寸
格式化工程图中的尺寸
尺寸显示选项
隐藏/显示注解
Expand 突出显示更改的尺寸突出显示更改的尺寸
将尺寸插入工程图中
尺寸类型
尾随零值
文档属性 - 尺寸
尺寸 - 其它 PropertyManager
尺寸值 PropertyManager
尺寸精度
Expand 对齐尺寸和注释对齐尺寸和注释
搜寻相等关系
快速标注尺寸
Expand 自动标注工程图尺寸自动标注工程图尺寸
DimXpert
尺寸 PropertyManager
在工程图中添加平行尺寸
参考尺寸
工程图中的质量参考中心
在特定尺寸上使用括号
基准尺寸
链尺寸
Expand 对称线性直径尺寸对称线性直径尺寸
Expand 尺寸链尺寸链
Expand 角度运行尺寸 角度运行尺寸
倒角尺寸
Expand 公差与精度公差与精度
移动及复制尺寸
修改尺寸
删除尺寸
Expand 尺寸调色板尺寸调色板
Expand 尺寸延伸线尺寸延伸线
Expand 尺寸标注引线尺寸标注引线
范例:尺寸方案类型
为中点标注尺寸
自动查找尺寸的虚拟交点
Expand SOLIDWORKS 文件实用程序SOLIDWORKS 文件实用程序
Expand DFMXpressDFMXpress
Expand DriveWorksXpressDriveWorksXpress
Expand FloXpressFloXpress
Expand 导入和导出导入和导出
Expand SOLIDWORKS MBD SOLIDWORKS MBD
Expand 模型显示模型显示
Expand 模具设计模具设计
Expand 运动算例运动算例
Expand 零件和特征零件和特征
Expand 步路步路
Expand 钣金钣金
Expand 模拟模拟
Expand SimulationXpressSimulationXpress
Expand 草图绘制草图绘制
Expand SLDXML 数据交换SLDXML 数据交换
Expand SOLIDWORKS SustainabilitySOLIDWORKS Sustainability
Expand 公差公差
Expand TolAnalystTolAnalyst
Expand 工具箱工具箱
Expand SOLIDWORKS UtilitiesSOLIDWORKS Utilities
Expand 焊件和结构系统焊件和结构系统
Expand 安装与管理安装与管理
Expand 疑难解答疑难解答
法律声明
隐藏目录 显示目录

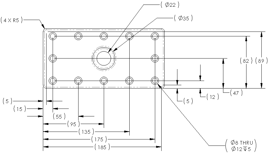
自动标注工程图尺寸

您可以使用自动标注尺寸工具将参考尺寸作为基准尺寸、链和尺寸链插入工程图视图。自动标注尺寸工具的工作方式与在草图中的行为类似。

以下显示基准尺寸方案:
autodim_baseline2.gif

内容

  • 自动标注工程图尺寸

  • 工程图中尺寸 PropertyManager 的自动标注尺寸标签

    指定以下属性,将参考尺寸作为基准尺寸、链和尺寸链插入工程图视图。

父主题工程图中的尺寸
在 SOLIDWORKS 知识库中搜索“自动标注工程图尺寸”。


提供对该主题的反馈

SOLIDWORKS 欢迎您对此文档的外观、准确性及完整性提供反馈。请使用以下表格,将您对该主题的评论和建议直接发送给我们的文档团队。文档团队不能回答技术支持问题。单击此处获取有关技术支持的信息。

* 必填

 
*电子邮件:  
主题:   对帮助主题的反馈
页面:   自动标注工程图尺寸
*评论:  
*   本人确认已阅读并且接受 Dassault Systèmes 按照《隐私政策》使用本人的个人数据
取消

感谢您的意见。如果我们对您的反馈有任何疑问,将会与您联系。

此致,
SOLIDWORKS 文档团队

打印主题

选择要打印的内容范围:

取消
x

我们检测到您在使用旧于 Internet Explorer 7 的浏览器版本。为优化显示,我们建议您将您的浏览器升级到 Internet Explorer 7 或以上。

 永不再显示此信息
x

Web 帮助内容版本:SOLIDWORKS 2023 SP05

要从 SOLIDWORKS 中禁用 Web 帮助并使用本地帮助,请单击帮助 > 使用 SOLIDWORKS Web 帮助。

要报告在 Web 帮助界面和搜索中所遇到的问题,请联系您的当地支持代表。要提供单个帮助主题的反馈,请使用单个主题页面上的“对该主题的反馈”链接。

0.20.10

使用条款  | 隐私政策  | 个性化 Cookie 选项  | 获取产品演示  | 联系销售部门  | 索取报价  © 1995-2025 Dassault Systèmes。保留所有权利。