도면에 있는 치수는 대개는 파트를 디자인할 때 부가한 치수를 모델에 저장하여 그 모델에서 도면으로 삽입한 치수들입니다. 한 문서에서 치수를 변경하면 이에 관련된 모든 문서에서도 치수가 변경됩니다.
자동 치수 정렬
도구로 치수를 빠르고 쉽게 배치할 수 있습니다.
 |
 |
이전 |
이후 |
SolidWorks를 설치할 때 도면에서 치수를 변경하는 것이 파트나 어셈블리 모델 치수를 변경하지 않도록 하는 변경 방지옵션을 지정할 수 있습니다.
마그네틱 라인을 사용하여 부품 번호를 정렬할 수 있습니다. 도면뷰에서 모든 구멍, 필렛 및 홈에 대해 중심 표시를 자동으로 삽입할 수 있습니다.
SolidWorks에서 치수 형식은
옵션
문서 속성
제도 표준에서 문서 기본값으로 지정된 표준을 따릅니다.
옵션
문서 속성
치수 아래에 나열된 각 치수 유형에 대해 문서 또는 템플릿 기본값을 변경할 수 있습니다. 2D CAD와 SolidWorks 모두가 유형 을 사용해서 특정 형식을 저장합니다.
2D CAD에는 SolidWorks의 참조 치수와 같은 치수 형식이 있습니다. 참조 치수는 수정할 수 없으며 모델 도형을 변경하지도 않습니다. 그러나 모델이 변경되면 참조 치수가 자동으로 업데이트됩니다. 모델 치수는 치수 이름으로 모델의 매개 변수에 링크되어 있어, 도면이나 모델에서 치수가 변경되면 모델이 같이 변경됩니다.
파트와 어셈블리 문서에 치수를 삽입할 때, 사용자가 변경하지 않는 한 도면에 표시됩니다. 새 도면뷰에 모델 항목 삽입이나 자동 삽입으로 삽입, 또는 자동 치수로 삽입하면, 도면 표시 치수만이 삽입됩니다. 주석 보기를 도면에 삽입할 때, 파트와 어셈블리의 모든 주석이 도면에 삽입됩니다.
치수는 모델 스케치에 있는 도형을 정의합니다. |
 |
모델 치수는 메뉴를 사용하여 도면에 삽입할 수 있습니다. |
 |
기초선 치수, 좌표 치수, 모따기 치수, 구멍 속성 표시기 등을 도면에서 사용할 수 있습니다. 좌표 치수를 이제 스케치에 사용할 수 있습니다.
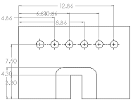
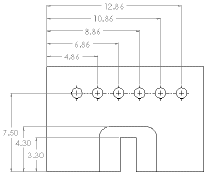
기초선 치수 |
 |
좌표 치수 |
 |
모따기 치수 |
 |
구멍 속성 표시기 |
 |