Você pode forçar as linhas de dimensão e colocá-las em distâncias especificadas das entidades lineares medidas e entre as sucessivas linhas de dimensão ou em ângulos determinados para dimensões de raio e diâmetro.
Para definir preferências para distâncias de offset de dimensão:
-
Siga um destes procedimentos:
-
Clique em (ou digite Opções). Na caixa de diálogo Opções, clique em Configurações do desenho
.
- Digite ConfiguraçõesDesenho.
- Expanda Distâncias de offset do modo snap de dimensão.
- Especifique se deseja Ativar as distâncias de offset.
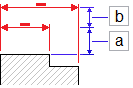
- Em Distâncias de offset, defina:
- Offset da primeira linha de dimensão de uma entidade linear medida.
- Distância de offset entre sucessivas linhas de dimensão.

As distâncias de offset predeterminadas são de 10 mm (0,40 polegadas) entre a entidade e a primeira linha de dimensão e 6 mm (0,25 polegadas) entre as dimensões.
- Em Ângulo de snap de diâmetro/radial, defina os intervalos de ângulo de snap para quando você arrastar as dimensões de raio e diâmetro ao longo de locais radiais. O valor predeterminado do ângulo de snap é de 15°.