Tabellen in Zeichnungen

Wenn in einem Modelldokument mehrere Konfigurationen mit einer Tabelle erstellt werden, können Sie die Tabelle in einer Zeichnung dieses Modells anzeigen. Auf diese Weise kann eine einzelne Zeichnung alle Konfigurationen darstellen.

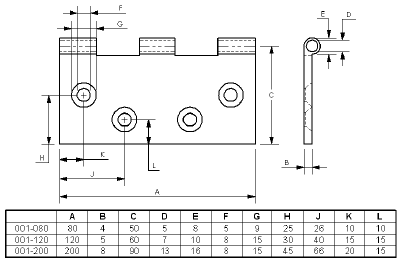
Sie können die Bemaßungen mit Buchstaben oder kurzen, aussagekräftigen Namen beschriften, anstatt die vollständigen Bemaßungsnamen und Werte zu verwenden. Sie können, zum Beispiel, anstelle von D1@Basis-Linear-austragen das Etikett A oder Dicke als Spaltenkopfzeile in der Tabelle verwenden und das Etikett anstelle des Werts der Bemaßung in der Zeichenansicht anzeigen.

Die folgende Abbildung zeigt, wie eine Tabelle und die Bemaßungen, die sie steuert, in einer Zeichnung aussehen können.