
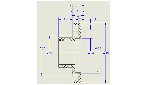
您可以為僅需要顯示導線一側的直徑尺寸產生對稱線性直徑尺寸。 這對具有旋轉零組件和詳細剖面視圖的工程圖很有用。
若要產生對稱線性直徑尺寸: - 開啟具有旋轉零組件或剖面視圖的工程圖。
對稱線性直徑尺寸適用於任何工程視圖,但最適合僅需要導線一側的工程視圖。
- 按一下對稱線性直徑尺寸
(「尺寸/限制條件」工具列) 或。
- 在 PropertyManager 中指定選項:
- 單一。 可讓您手動調整圖元尺寸。 使用快速標註尺寸功能,為具有快速尺寸功能的圖元標註尺寸。
- 多重。 可讓您根據指定的軸產生多重尺寸。 自動排列尺寸標註。
- 為工程視圖標註尺寸。