When opening a drawing, if dimensions have changed since the last time the
drawing was saved, the changed dimensions are highlighted.
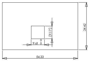
 |
Before
Changes |
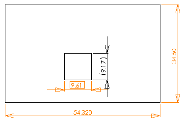
 |
After
Changes |
With highlighting turned on, these changes are highlighted in drawings:
- Model changes that cause base number values to change
- Imported dimensions where the tolerance type or value has
changed in the model
- Imported dimensions where there is a change in Add Parentheses or Inspection Dimension
- Imported dimensions where there is a change in the Dimension Text (<DIM> by default)
If
you hover over a changed dimension, a tooltip shows the previous dimension.

|
Changed Dimensions
|

|
Changed Tolerance
|