Familles de pièces dans les mises en plan

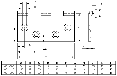
Si un modèle utilise une famille de pièces pour générer plusieurs configurations, vous pouvez afficher la famille de pièces dans une mise en plan de ce modèle. De cette manière, une seule mise en plan peut représenter toutes les configurations.

Vous pouvez désigner les cotes par des lettres ou des noms courts et descriptifs au lieu d'utiliser leurs noms complets et leurs valeurs. Par exemple, au lieu de D1@BaseExtrusion, vous pouvez utiliser un label tel que A ou épaisseur comme en-tête de colonne dans la famille de pièces et l'afficher au lieu de la valeur de la cote dans la vue de mise en plan.

La figure suivante illustre la manière dont une famille de pièces et les cotes qu'elle contrôle peuvent apparaître dans une mise en plan.