Quotatura rapida

È possibile utilizzare il selettore di quota rapida per inserire le quote in modo che risultino equidistanti e facili da leggere.

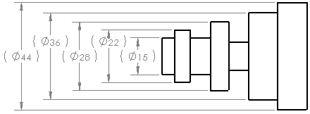
Il selettore di quota appare quando si inseriscono le quote nelle viste di disegno. Utilizzarlo per inserire le quote a intervalli equidistanti. Ad esempio, se si inserisce una quota tra due quote esistenti, la nuova quota viene distanziata in modo equo tra le due.

Usare il selettore di quota rapida per posizionare rapidamente le quote.

È possibile controllare la spaziatura utilizzata dal manipolatore di quota rapida in Strumenti > Opzioni > Proprietà del documento > Quote sotto Distanze offset.

Quando il selettore di quota rapida crea le quote su una linea di mezzeria simmetrica, qualsiasi quota che potrebbe sovrapporsi viene sfalsata nei disegni secondo lo standard ANSI.

Per disattivare il selettore di quota rapida, nel PropertyManager Quota, in Strumenti di assistenza quote, deselezionare Quotatura rapida. Questa impostazione persiste su tutte le sessioni.

Quando il selettore di quota rapida è abilitato, per chiuderlo è possibile premere ESC. Premendo di nuovo ESC si arresta lo strumento Quota intelligente.

Uso del selettore di quota rapida

È possibile utilizzare il selettore di quota rapida per inserire le quote in modo che risultino equidistanti e facili da leggere.

  1. In un disegno, fare clic su Quota intelligente (barra strumenti Quote/Relazioni) o su Strumenti > Quote > Intelligenti .
  2. Selezionare le entità da quotare.
    A seconda del tipo di quota che è possibile inserire, il selettore di quota rapida viene visualizzato come: oppure .
  3. Fare clic su una porzione del manipolatore. Si può anche usare:
    • Il tasto Tab per passare a diverse posizioni del manipolatore
    • La barra spaziatrice per posizionare la quota in un punto adatto esterno alla geometria del modello
    La quota viene posizionata vicino l'entità scelta. Le quote esistenti si spostano per fare spazio alle nuove quote se necessario.

Per disattivare il selettore di quota rapida, nel PropertyManager Quota, in Strumenti di assistenza quote, deselezionare Quotatura rapida. Questa impostazione persiste su tutte le sessioni.

Quando il selettore di quota rapida è abilitato, per chiuderlo è possibile premere ESC. Premendo di nuovo ESC si arresta lo strumento Quota intelligente.