Mise en surbrillance des cotes modifiées

Lors de l'ouverture d'une mise en plan, si les cotes ont changé depuis le dernier enregistrement, les cotes modifiées sont mises en surbrillance. Pour voir les cotes modifiées, il faut d'abord enregistrer la pièce ou l'assemblage et la mise en plan dans SOLIDWORKS 2012 ou version ultérieure. Après avoir enregistré et fermé la mise en plan avec les cotes modifiées, la mise en surbrillance des cotes modifiées est réinitialisée.
prj-17319-before-changes.gif
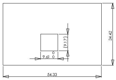
Avant les modifications
prj-17319-after-changes.gif
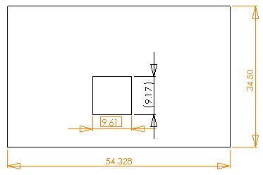
Après les modifications
Avec la mise en surbrillance activée, les modifications suivantes sont mises en surbrillance dans les mises en plan:
  • Modifications de modèles pouvant provoquer le changement des valeurs numériques de base
  • Cotes importées dont le type ou la valeur de tolérance a changé dans le modèle
  • Cotes importées qui ont fait l'objet d'une modification dans Ajouter des parenthèses ou Cote de contrôle
  • Cotes importées qui ont fait l'objet d'une modification dans le Texte de cote (<DIM> par défaut)
Pour utiliser la fonctionnalité de mise en surbrillance, il faut d'abord enregistrer la pièce ou l'assemblage et les mises en plan associées dans SOLIDWORKS 2012 ou version ultérieure. Lorsque vous rouvrez la mise en plan, les modifications mises en surbrillance apparaissent. Lorsque vous survolez une cote modifiée avec le pointeur de la souris, une info-bulle affiche l'ancienne cote.

prj-17319-changed-dim.gif

Cotes modifiées

prj-17319-changed-tol.gif

Tolérance modifiée