Exemples d'échelles personnalisées

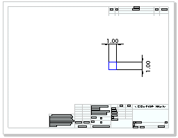
Echelle de la feuille de mise en plan 1:1
box1.gif
Echelle personnalisée pour l'impression 1:1
box1.gif
Résultat de l'impression
box1.gif

Un carré de 1 pouce X 1 pouce est imprimé à la même échelle (1 pouce x 1 pouce).

Echelle de la feuille de mise en plan 1:1
box1.gif
Echelle personnalisée pour l'impression 2:1
box2.gif
Résultat de l'impression
box222.gif

Un carré de 1 pouce x 1 pouce est imprimé comme un carré de 2 pouces x 2 pouces, même si les valeurs des cotes restent les mêmes. (et inversement, si vous réglez l'échelle personnalisée sur 1:2, le carré est imprimé avec les dimensions 0,5 pouces X 0,5 pouces).

Echelle de la feuille de mise en plan 1:2
box3.gif
Echelle personnalisée pour l'impression 1:1
box44.gif
Résultat de l'impression
box333.gif

Un carré de 1 pouce X 1 pouce est imprimé à la même échelle (1 pouce x 1 pouce). Cependant, seulement 1/4 de la feuille de mise en plan est imprimée parce qu'un zoom est effectué sur la mise en plan pour obtenir un carré à l'échelle 1:1.

Echelle de la feuille de mise en plan D - Paysage 1:1
box4.gif
Echelle personnalisée pour l'impression A - Paysage 1:1
box44.gif
Résultat de l'impression
box333.gif

Un carré de 1 pouce x 1 pouce est imprimé comme un carré de 1 pouce x 1 pouce, puisque les échelles de la feuille de mise en plan sont identiques. Cependant, seulement 1/8 de la feuille de mise en plan est imprimé parce que la taille d'une feuille A - Paysage équivaut à 1/8 fois la taille d'une feuille D - Paysage.