Cotation rapide

Vous pouvez utiliser le sélecteur de cote rapide pour espacer régulièrement les cotes afin qu'elles soient plus lisibles.

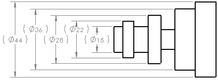
Le sélecteur de cote rapide apparaît lorsque vous insérez des cotes dans des vues de mise en plan. Il permet d'espacer régulièrement les cotes. Par exemple, si vous insérez une cote entre deux autres cotes, la nouvelle cote est à égale distance des deux premières.

Utilisez le sélecteur de cote rapide pour placer les cotes rapidement.

Pour contrôler l'espacement appliqué par la cotation rapide, sélectionnez Outils > Options > Propriétés du document > Cotes sous Distances de décalage.

Lorsque le sélecteur de cote rapide crée des cotes sur une ligne de construction symétrique, les cotes susceptibles de se chevaucher sont présentées en quinconce pour les mises en plan qui utilisent la norme ANSI.

Pour désactiver le sélecteur de cote rapide, dans le Cotation PropertyManager, sous Outils d'aide à la cotation, désactivez Cotation rapide. Ce paramètre reste activé dans les sessions suivantes.

Lorsque le sélecteur de cote rapide est activé, vous pouvez le faire disparaître en appuyant sur ECHAP. Appuyez une nouvelle fois sur ECHAP, pour quitter l'outil Cotation intelligente.

Utilisation du sélecteur cotation rapide

Vous pouvez utiliser le sélecteur de cote rapide pour espacer régulièrement les cotes afin qu'elles soient plus lisibles.

  1. Cotation intelligenteCotation intelligente (barre d'outils Cotations/Relations) ou sur Outils > Cotations > Intelligentes .
  2. Sélectionnez les entités à coter.
    En fonction du type de cote à placer, le sélecteur de cote rapide s'affiche de la façon suivante : ou .
  3. Cliquez sur une partie du manipulateur. Vous pouvez aussi utiliser:
    • la touche Tab afin de passer aux différents emplacements du manipulateur
    • la barre d'espacement pour placer la cote à un emplacement approprié en dehors de la géométrie des modèles
    La cote est placée près de l'entité sélectionnée. Au besoin, les cotes existantes sont déplacées pour faire place aux nouvelles cotes.

Pour désactiver le sélecteur de cote rapide, dans le PropertyManager Cotation, sous Outils d'aide à la cotation, désactivez Cotation rapide. Ce paramètre reste activé dans les sessions suivantes.

Lorsque le sélecteur de cote rapide est activé, vous pouvez le faire disparaître en appuyant sur ECHAP. Appuyez une nouvelle fois sur ECHAP, pour quitter l'outil Cotation intelligente.