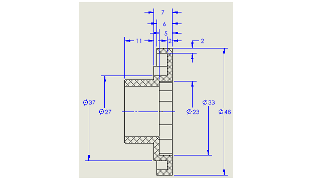
Cotes de diamètre linéaire symétrique

Vous pouvez créer des cotes de diamètre linéaire et symétrique pour les cotes de diamètre qui ne nécessitent l'affichage que d'un seul côté d'une ligne d'attache. Cela est utile pour les mises en plan comportant des composants tournés et des vues en coupe détaillées.