Wyróżnianie zmienionych wymiarów

Jeśli wymiary uległy zmianie od ostatniego zapisania rysunku, po jego otwarciu zmienione wymiary są wyróżnione. Aby zobaczyć zmienione wymiary, najpierw należy zapisać w oprogramowaniu SOLIDWORKS wersji 2012 lub nowszej część lub złożenie oraz rysunek. Po zapisaniu i zamknięciu rysunku ze zmienionymi wymiarami, ich wyróżnienie jest resetowane.
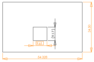
prj-17319-before-changes.gif
Przed zmianami
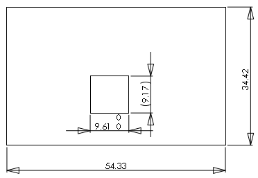
prj-17319-after-changes.gif
Po zmianach
Kiedy wyróżnianie jest włączone, w rysunkach wyróżniane są następujące zmiany:
  • Zmiany modelu, które powodują zmianę wartości bazowych liczb
  • Zaimportowane wymiary, kiedy typ lub wartość tolerancji zostały zmienione w modelu
  • Zaimportowane wymiary, jeśli występuje zmiana w opcjach Dodaj nawiasy lub Wymiar kontrolny
  • Zaimportowane wymiary, jeśli występuje zmiana w opcjach Tekst wymiaru (domyślnie <DIM>)
Aby korzystać z funkcji wyróżniania, konieczne jest wcześniejsze zapisanie części lub złożenia oraz skojarzonych rysunków w oprogramowaniu SOLIDWORKS wersji 2012 lub nowszej. Wyróżnienie zmian pojawi się po ponownym otwarciu rysunku. Po zatrzymaniu wskaźnika nad zmienionym wymiarem pojawi się etykietka z poprzednim wymiarem.

prj-17319-changed-dim.gif

Zmienione wymiary

prj-17319-changed-tol.gif

Zmieniona tolerancja